Vodicí pojezdy s přírubou
Popis produktu
| Kód: | 21411-05 |
|---|---|
| Výrobce: | norelem |
| Ceny: | jsou uvedeny dole na stránce v tabulce variant produktu, nebo na poptávku přes formulář níže. |
| Termín dodání: | běžně cca 7 až 10 dnů od objednání, v závislosti na množství a aktuálních zásobách. Konkrétní termíny dodání ověřujeme a potvrzujeme emailem, individuálně dle zakázky. V případě nedostupnosti zboží lze objednávku zrušit. Více informací. |
Cenu dopravy zásilek délky nad 2 m zohledňujeme dle skutečných hodnot a dodatečně, pokud je to nutné, upravujeme. |
zavřít
Ke stažení
Datový list norelem 21411–05 Vodicí pojezdy s přírubou
Technický list norelem 21411–05 Vodicí pojezdy s přírubou 
Detail zavřít
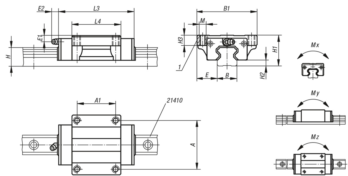
| Objednací kód | Základní cena bez DPH | Koncová cena s DPH | Objednat | CAD | Provedení 2 | Velikost | Mx Nm | My Nm | Mz Nm | Nosnosti dynamicky N | Nosnosti staticky N | Mazací otvor | A | A1 | B | B1 | E | E1 | E2 | H | H1 | H2 | H3 | L3 | L4 | M |
|---|---|---|---|---|---|---|---|---|---|---|---|---|---|---|---|---|---|---|---|---|---|---|---|---|---|---|
| 21411-05-15106310 | 1 641,60 Kč | 1 986,34 Kč | Standard | 15 | 140 | 99 | 99 | 8400 | 16200 | M3 | 38 | 30 | 15 | 47 | 16 | 4.3 | 4.15 | 14 | 24 | 4.6 | 8 | 63.1 | 40 | M5 | ||
| 21411-05-20107310 | 1 869,84 Kč | 2 262,51 Kč | Standard | 20 | 244 | 173 | 173 | 12300 | 22400 | M3 | 53 | 40 | 20 | 63 | 21.5 | 5.7 | 16.9 | 18 | 30 | 5 | 9 | 72.8 | 50 | M6 | ||
| 21411-05-25108410 | 1 955,02 Kč | 2 365,57 Kč | Standard | 25 | 480 | 340 | 340 | 19900 | 36500 | M6 | 57 | 45 | 23 | 70 | 23.5 | 6.5 | 17.9 | 22 | 36 | 7 | 12 | 84 | 57 | M8 | ||
| 21411-05-25210610 | 2 151,21 Kč | 2 602,96 Kč | dlouhé provedení | 25 | 640 | 590 | 590 | 24300 | 48500 | M6 | 57 | 45 | 23 | 70 | 23.5 | 6.5 | 17.9 | 22 | 36 | 7 | 12 | 106.1 | 79.1 | M8 | ||
| 21411-05-30110010 | 2 524,28 Kč | 3 054,38 Kč | Standard | 30 | 790 | 540 | 540 | 27500 | 49500 | M6 | 72 | 52 | 28 | 90 | 31 | 8 | 15.8 | 26 | 42 | 9 | 11.5 | 100.4 | 67.4 | M10 | ||
| 21411-05-30212510 | 2 771,82 Kč | 3 353,90 Kč | dlouhé provedení | 30 | 1060 | 940 | 940 | 34000 | 66000 | M6 | 72 | 52 | 28 | 90 | 31 | 8 | 15.8 | 26 | 42 | 9 | 11.5 | 125.4 | 92.4 | M10 | ||
| Uvedené ceny jsou základní při odběru od 1 ks. V případě většího množství Vám vypracujeme individuální cenovou nabídku. | ||||||||||||||||||||||||||