Upínací stanice UNILOCK
Popis produktu
| Kód: | K2351 |
|---|---|
| Výrobce: | Kipp |
| Ceny: | jsou uvedeny dole na stránce v tabulce variant produktu, nebo na poptávku přes formulář níže. |
| Termín dodání: | běžně cca 7 až 10 dnů od objednání, v závislosti na množství a aktuálních zásobách. Konkrétní termíny dodání ověřujeme a potvrzujeme emailem, individuálně dle zakázky. V případě nedostupnosti zboží lze objednávku zrušit. Více informací. |
Cenu dopravy zásilek délky nad 2 m zohledňujeme dle skutečných hodnot a dodatečně, pokud je to nutné, upravujeme. |
zavřít
Ke stažení
Technický list Kipp K2351 Upínací stanice UNILOCK
Datový list Kipp K2351 Upínací stanice UNILOCK 
Detail zavřít
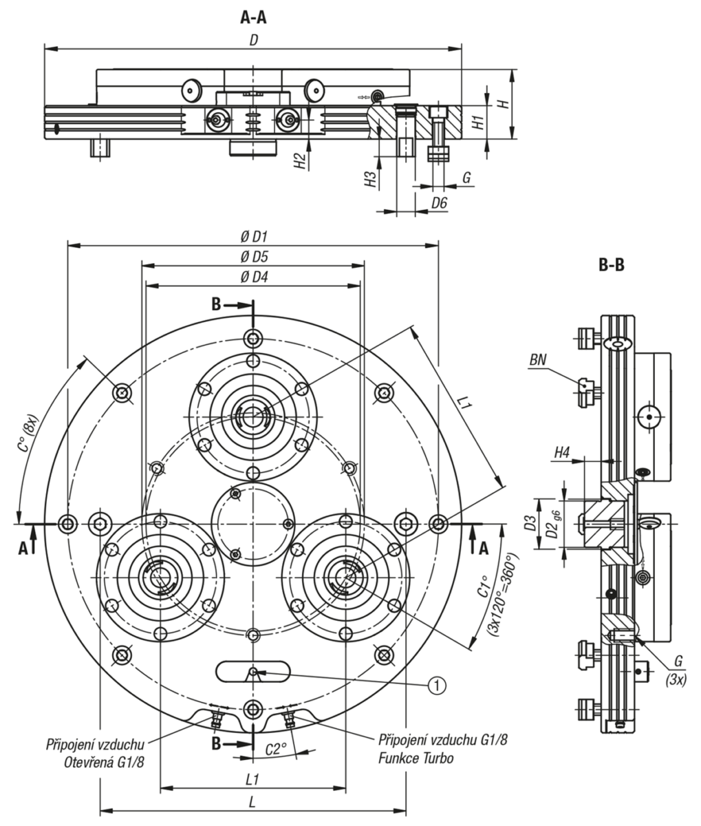
| Objednací kód | Základní cena bez DPH | Koncová cena s DPH | Objednat | CAD | Provedení 2 | Typ provedení | D | H | C | C1 | C2 | D1 | D2 | D3 | D4 | D5 | D6 | G | H1 | H2 | H3 | H4 | L | L1 | L2 | L3 | Šířka drážky | Zatahovací síla s turbo kN |
|---|---|---|---|---|---|---|---|---|---|---|---|---|---|---|---|---|---|---|---|---|---|---|---|---|---|---|---|---|
| K2351.320045075 | 184 680,80 Kč | 223 463,77 Kč | 3násobný | bez pojistky proti protočení | 450 | 75 | 45 | 30 | 10.5 | 400 | 50 | 55 | 230.94 | 240 | 20 | M12 | 36 | 20.5 | 19 | 18 | 330 | 200 | — | — | 14 | 84 | ||
| K2351.520057079 | 242 453,30 Kč | 293 368,49 Kč | 5násobná | bez pojistky proti protočení | 570 | 79 | 45 | 72 | 9 | 520 | 50 | 55 | 340.26 | — | 20 | M12 | 40 | 25 | 15 | 18 | 450 | 200 | 180 | 200 | 14 | 140 | ||
| Uvedené ceny jsou základní při odběru od 1 ks. V případě většího množství Vám vypracujeme individuální cenovou nabídku. | ||||||||||||||||||||||||||||