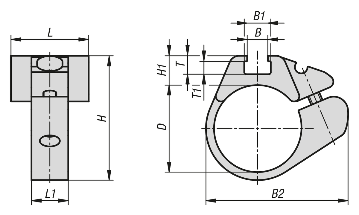
Držák snímače s T-drážkou pro kruhový válec
Popis produktu
| Kód: | K2204 |
|---|---|
| Výrobce: | Kipp |
| Ceny: | jsou uvedeny dole na stránce v tabulce variant produktu, nebo na poptávku přes formulář níže. |
| Termín dodání: | běžně cca 7 až 10 dnů od objednání, v závislosti na množství a aktuálních zásobách. Konkrétní termíny dodání ověřujeme a potvrzujeme emailem, individuálně dle zakázky. V případě nedostupnosti zboží lze objednávku zrušit. Více informací. |
Cenu dopravy zásilek délky nad 2 m zohledňujeme dle skutečných hodnot a dodatečně, pokud je to nutné, upravujeme. |
zavřít
Ke stažení
Datový list Kipp K2204 Držák snímače s T-drážkou pro kruhový válec 
Detail zavřít
| Objednací kód | Základní cena bez DPH | Koncová cena s DPH | Objednat | CAD | D | B | B1 | B2 | H | H1 | L | L1 | T | T1 |
|---|---|---|---|---|---|---|---|---|---|---|---|---|---|---|
| K2204.820 | 281,10 Kč | 340,13 Kč | 21 | 5.1 | 6.5 | 35 | 30.4 | 7.2 | 19 | 9 | 4.5 | 3.15 | ||
| Uvedené ceny jsou základní při odběru od 1 ks. V případě většího množství Vám vypracujeme individuální cenovou nabídku. | ||||||||||||||