Spring hinges, stainless steel, 0.7 Nm
Product description
| Code: | 27904-83 |
|---|---|
| Manufacturer: | norelem |
| Prices: | are listed at the bottom of the page in the product variant table, or upon request via the form below. |
| Delivery date: | normally about 7 to 10 days from ordering, depending on quantity and current stock. We verify and confirm specific delivery dates by email, individually according to the order. In case of unavailability of goods, the order can be canceled. More information. |
The shipping cost for consignments longer than 2 m is calculated based on actual values and, if necessary, adjusted subsequently. |
zavřít
Download
Datový list norelem 27904–83 Pružinový závěs z nerezové oceli, 0,7 Nm 
Detail zavřít
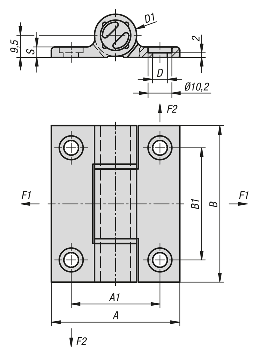
| Order code | Basic price excluding VAT | Final price incl. VAT | Order | CAD | Version 1 | A | A1 | B | B1 | D | D1 | F1 N | F2 N | S | Druh upevnění |
|---|---|---|---|---|---|---|---|---|---|---|---|---|---|---|---|
| 27904-83-55670 | upon request | upon request | Pružina otevření | 55 | 38 | 67 | 48 | 6.2 | 18 | 5885 | 14669 | 4.5 | upevňovací otvory | ||
| 27904-83-55671 | upon request | upon request | Pružina uzavírací | 55 | 38 | 67 | 48 | 6.2 | 18 | 5885 | 14669 | 4.5 | upevňovací otvory | ||
| The prices listed are basic for orders of 1 piece or more. For larger quantities, we will prepare an individual price quote for you. | |||||||||||||||